为方便企业了解监测口及监测平台的设置要求,规范企业废气排放口监测孔和监测平台的设置,青岛市生态环境局西海岸新区分局依据《固定污染源废气监测点位设置技术规范》(db37/t 3535—2019)编写了《废气排放口监测孔及监测平台规范设置明白纸》,各废气排放企业可参考该明白纸进行自查自纠和建设。
一、监测孔的设定:
1、对于颗粒态污染物,监测断面优先设置在垂直管段,应避开烟道弯头和断面急剧变化的部位,设置在距弯头、阀门、变径管下游方向不小于4倍直径(或当量直径)和距上述部件上游方向不小于2倍直径(或当量直径)处。对矩形烟道,其当量直径d=2ab/(a+b),式中 a、b为边长。在选定的监测断面上开设监测孔,监测孔的内径应≥90mm。监测孔在不使用时应用盖板或管帽封闭,使用时应易打开。
2、烟道直径≤1 m的圆形烟道,设置一个监测孔;烟道直径大于1 m不大于4 m的圆形烟道,设置相互垂直的两个监测孔;烟道直径>4 m的圆形烟道,设置相互垂直的4个监测孔。
二、监测平台要求:
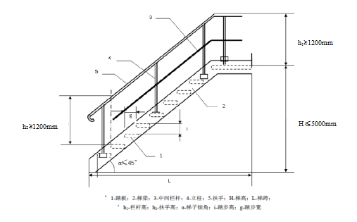
1、距离坠落高度基准面0.5m 以上的监测平台及通道的所有敞开边缘应设置防护栏杆(见下图),防护栏杆的高度应≥1.2m。

2、监测平台的防护栏杆应设置踢脚板,踢脚板应采用不小于 100mm×2mm 的钢板制造,其顶部在平台面之上高度应≥100mm,底部距平台面应≤10mm。
3、监测平台可操作面积应≥2㎡,单边长度应≥1.2m,且不小于监测断面直径(或当量直径)的 1/3。若监测断面有多个监测孔且水平排列,则监测平台区域应涵盖所有监测孔;若监测断面有多个监测孔且竖直排列,则应设置多层监测平台。通往监测平台的通道宽度应≥0.9m。
4、监测平台地板应采用厚度≥4mm 的花纹钢板或钢板网铺装(孔径小于10mm×20mm),监测平台及通道的载荷应≥3 kn/㎡ 。
三、监测梯要求:
1、监测平台与地面之间应保障安全通行,设置安全方式直达监测平台。设置固定式钢梯或转梯到达监测平台,应符合 gb 4053.1和 gb 4053.2要求。
2、监测平台与坠落高度基准面之间距离超过2m 时,不应使用直梯通往监测平台,应安装固定式钢斜梯、转梯或升降梯到达监测平台。梯子无障碍宽度≥0.9m,梯子倾角不超过45 度。每段斜梯或转梯的最大垂直高度不超过5m,否则应设置缓冲平台,缓冲平台的技术要求同监测平台。(见下图)

青岛市生态环境局西海岸新区分局
2022年3月28日
文章来源:vocs前沿
2022上海智慧环保展将于6月8-10日在上海国家会展中心隆重拉开帷幕。本届展会展示面积将达15万平米,汇聚超400家品牌展商。展示范围涵盖综合治理、水、大气、智慧环保、环境监测、资源再生、土壤、噪声8大环境污染治理领域。










